Arduino Cyclone Game
I have never played the real cyclone arcade game but I like the idea to play with our reaction time.
I designed a miniaturized game. It consists in 32 LEDs forming a circle, the LEDs lights up one by one as a led chaser. The goal is to press a button when the red LED lights up.
Supplies
- 29x green led
- 2x yellow led
- 1x red led
- 1x 12mm led push button
- 4x 74HC595
- 1x Arduino nano
- Ø3mm tube 46mm long
- 1x I2C OLDE display 128*32
- Wires
- 3D printer
- primer + paint
- sand paper
- soldering iron
- Mini USB cable + USB power source
Rules
I added to this game its own score rules as well as speed changes to make it more challenging,
-if you stop on the red led : the score increases by a value between 4 and 20 depending on the speed. The speed increases by 2%.
-if you stop on a yellow led : the score increases by 2 and the speed increases by 10%
-if you stop on a green led : game over 
I also added a bonus for really skilled players !
-if you stop on the red led 3 times in a row while the speed is above 80% : the speed returns to 20% ! (stars indicate the progression of that bonus)
the first LED to lights up is chosen randomly by the arduino as well as if it turns clockwise or counterclockwise.
Prototyping
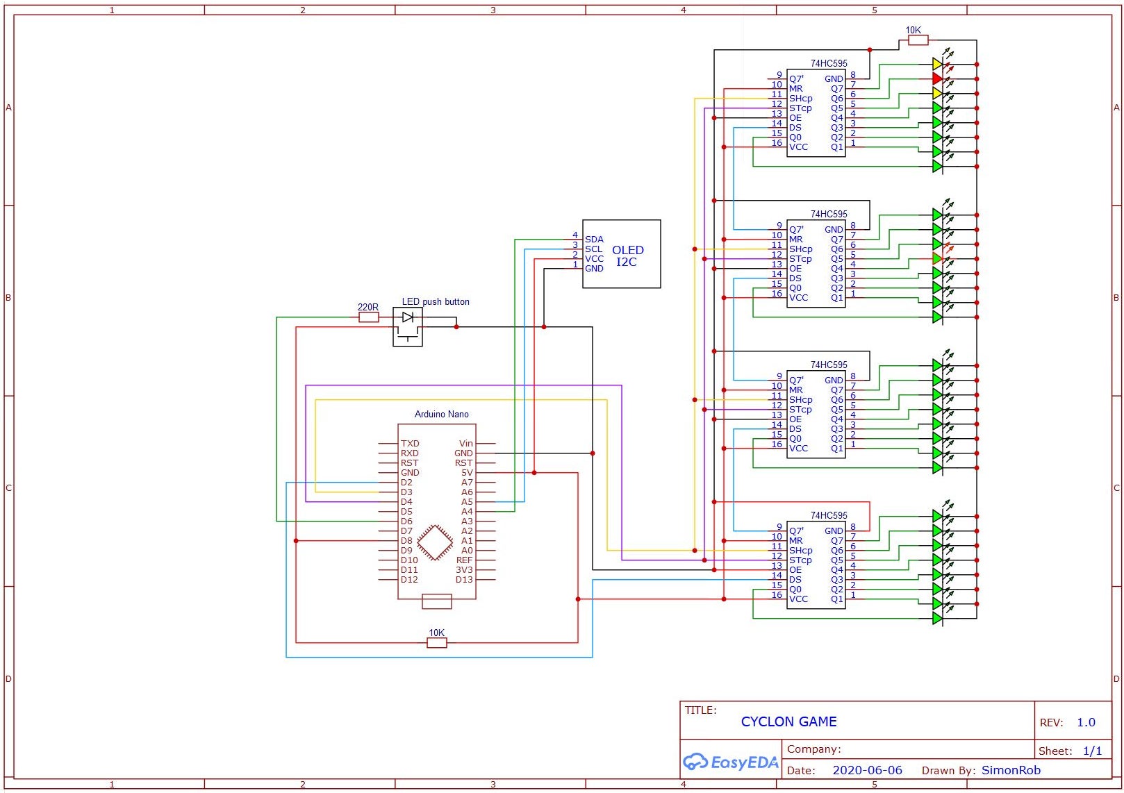
That was the step where I tested all kinds of scoring rules. The arduino nano board does not have enough output pins to drive 32 LEDs so I used four 74HC595 chips, each one driving 8 Leds, those are working really well and it uses only 3 arduino output pins !
I made this circuit diagram:
and here is the arduino code (you will need this library for the oled display and this library for the hc595 chips)
Downloads
The Enclosure
Designing:
The enclosure has been designed in Fusion 360, it is composed of 4 parts.
You can find the .STL and .f3d files on Cults3D HERE
3D Printing:
The upper body will require supports to print. I printed all the parts using PLA ice filament with default settings on Cura, and 3D printed on a Creality Ender3
Post-Printing:
For this project I wanted to try a finishing technique for 3D printing.
here is what the 3D print looks like ...
I first sanded the pieces with 120 to 800 grit sandpaper
I applied a primer coat
I sanded it again with 800 grit sandpaper
Then I added 3 coats of black spray paint
here you have the "before and after" comparaison :


Assembly
- place the 32 LEDs in the holes of the upper body (negative inside, positive outside)
- bend the negative legs in order to solder them together
- place the first 74HC595 here upside down and solder the LEDs according to the diagram on step 2
- link the four chips with really thin wires also according to the circuit diagram.
- solder four wires to the OLED display and pass those through the tube like that:
- solder all the wires to the Arduino.
- glue the arduino board in place with hot glue.
- clip the upper body on the lower body and clip the front oled box.
Have Fun!
Now, you just have to plug the arduino to a 5V power source (power bank, laptop,...)
then it will start by itself.
Try to make the highest score !
Mine is 1152 good luck!
